การควบคุมอุณหภูมิและความชื้นมีหลักอยู่ 4 วิธี ( CONTROL TEMP & HUMIDITY )
ระบบการควบคุมความชื้นในปัจจุบันที่มักมีใช้อยู่4ชนิดคือ
1.ระบบ HotGas
2.ระบบ Heater
3.ระบบ HeatPipe
4.ระบบเครื่องDesiccant Humidity
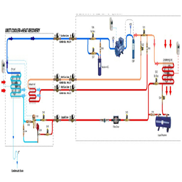
1.ระบบ HotGas คือ HeatRecoveryHotgasByPass
สามารถควบคุมเรื่องความชื้นได้อย่างแม่นยำด้วยระบบที่ทันสมัยในขณะนี้และเป็นระบบที่ประหยัดพลังงานเพราะใช้ระบบHeatRecoveryHotgasByPassมาควบคุมอุณหภูมิและความชื้น จะควบคุมได้อย่างแม่นยำทุกฤดูกาล ในช่วงที่ระบบHotGasทำงานกระแสไฟฟ้าของCompressorจะลดลงประมาณ 15เปอร์เซ็น ถึง 20เปอร์เซ็น ซึ่งเป็นการประหยัดพลังงานได้เป็นอย่างดี
2.ระบบ Heatter
จะมีคุณสมบัติคล้ายHotGasคือควบคุมได้ทุกฤดูการ แต่ข้อเสียใช้ไปนานๆอาจเกิดความร้อน สะสมและอาจเกิดไฟไหมในAHUได้และกินพลังงานไฟฟ้าค่อนข้างมาก
3.ระบบ HeatPipe
จะดีอย่างหนึ่งคือไม่ใช้พลังงานกลและไฟฟ้าแต่จะใช้การใหลเวียนของสารทำความเย็น จะใช้ดีช่วงฤดูร้อน ข้อเสีย ช่วงฤดูหนาวกับฤดูฝนจะควบคุมความชื้นแทบไม่ได้เลย
4.เครื่อง Desiccant Humidity
ภายในเครื่องจะเป็นวงล้อซิลิก้าดูดความชื้นและเผาความชื้นด้วยระบบHeatter ระบบนี้หลักการทำงานจะคล้ายๆระบบHeatter ระบบนี้จะควบคุมได้ดีในช่วง2ปีแรก หลังจากนั้นมาวงล้อซิลิก้าที่ดูดความชื้นจะเสื่อมสภาพและจะมีราขึ้นที่ตัวดูดความชื้น และระบบนี้ใช้พลังงานไฟฟ้าค่อนข้างมากและมักจะใช้ในระบบเล็กๆห้อง4m x 4mแต่ถ้าเป็นระบบใหญ่ๆก็มีนำมาติดตั้งในAHUแต่ราคาข่อนข้างสูงมาก และต้องเป็นAHUชนิดพิเศษทำสำหรับติดตั้งวงล้อซิลิก้าโดยเฉพาะเช่นAHUลม3,000cfmติดตั้งวงล้อควบคุมความชื้นราคาจะอยู่ที่เจ็ดแสนกว่าถึงแปดแสนบาท
